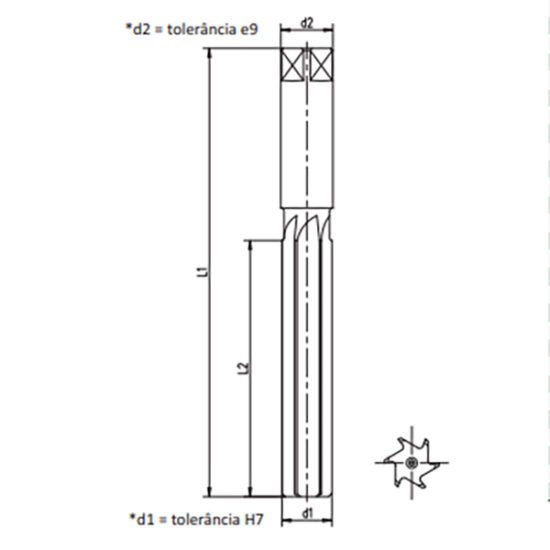
Alargador manual, para furo tolerância H7, haste cilíndrica, encaixe quadrado, corte à direita ref 5101

SKU: 5101 Categoria: Tag:

Descrição

Alargador manual, para furo tolerância H7, haste cilíndrica, encaixe quadrado, corte à direita.

Catálogo em PDF